Интеллектуальная сельскохозяйственная ирригационная насосная станция MPIS
Интеллектуальная сельскохозяйственная насосная станция SINOSO MPIS — это комплексная система орошения и дренажа с поддержкой Интернета вещей, включающая в себя автоматизированное управление, измерение расхода, видеонаблюдение и интеллектуальную защиту. Она разработана для обеспечения гибкости и эффективности, имеет модульную мобильную конструкцию с поддержкой удаленного управления и централизованного управления. Станция выполнена в стиле павильона и изготовлена из инновационных, экологичных материалов. Она доступна в трех стандартных размерах (2,1×2,1 м, 2,1×4,2 м и 2,7×2,7 м) с максимальной занимаемой площадью менее 10 квадратных метров, что обеспечивает ее компактность и простоту развертывания в различных конфигурациях.
Особенности продукта
1. Основные технологии
- Автоматизация процессов: адаптивная регулировка с помощью ПЛК
- Система безопасности: двухканальное инфракрасное обнаружение + видеонаблюдение 1080p
- Управление потоками: ультразвуковой расходомер, сертифицированный по ISO 4064-B
- Возможности подключения: промышленные протоколы MQTT 5.0 и OPC UA
2. Физические характеристики
| Модель МПИС-210 | |
| Размеры | 2,1 м (Д) × 2,1 м (Ш) × 2,8 м (В) |
| След | 4,41 м² |
| Строительство | FRP-экокомпозит |
| Модель МПИС-420 | |
| Размеры | 4,2 м (Д) × 2,1 м (Ш) × 2,8 м (В) |
| След | 8,82 м² |
| Строительство | Коррозионностойкий сплав |
| Модель МПИС-270 | |
| Размеры | 2,7 м (Д) × 2,7 м (Ш) × 3,1 м (В) |
| След | 7,29 м² |
| Строительство | УФ-стабилизированный полимер |
3. Показатели эффективности
- Гибкость развертывания: возможность перемещения в <4 часа (с помощью крана)
- Защита от воздействия окружающей среды: класс защиты IP54 (соответствует IEC 60529)
- Срок службы: >100 000 часов (сертифицировано как MTBF)
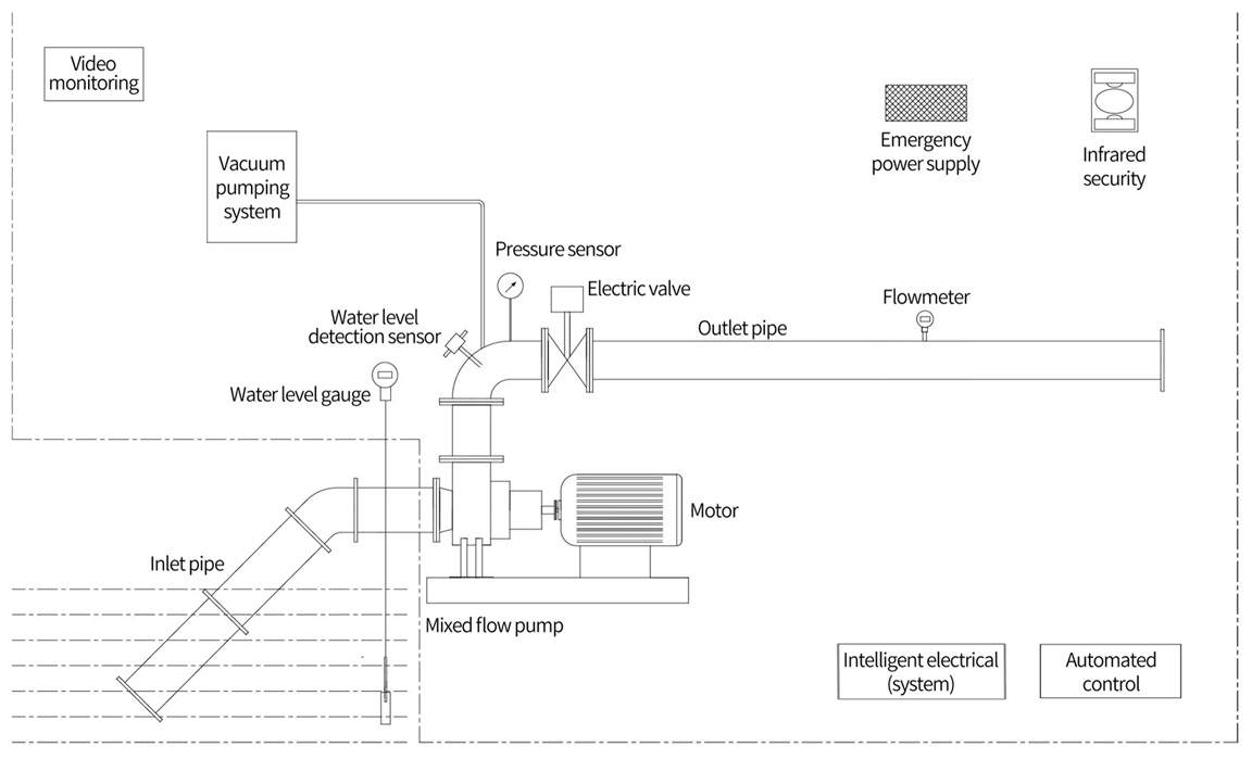
Принцип структуры

Индекс стилей

Сценарии применения

Интеллектуальный сельскохозяйственный ирригационный насос SINOSO MPIS особенно хорошо подходит для современного управления сельскохозяйственным орошением и дренажем.
Почему выбирают SINOSO
Исследовательский партнер

SINOSO — это аспирантская рабочая станция в провинции Цзянсу, подразделение научно-исследовательского сотрудничества, научно-исследовательская экспериментальная база и база последипломной подготовки Китайского сельскохозяйственного университета, Нанкинского сельскохозяйственного университета, Университета Хохай, Университета Цзянсу, Юго-Западного университета науки и технологий, Академии сельскохозяйственных наук Цзянсу и Нанкинского института механизации сельского хозяйства Министерства сельского хозяйства и сельских дел.




















+86-025-87150950
globalsales@sinosorob.com
+86 18133051944